HR-TC220
Cat:Transportador de rolo de cônica
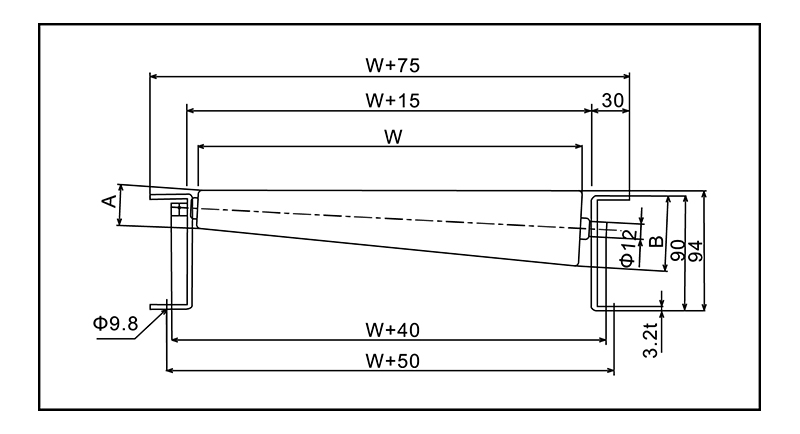
Largura w (mm) 200 A (φ) Diâmetro 31.3 ...
Estrutura avançada, desempenho de alta qualidade, fácil de usar, alta confiabilidade e durabilidade.
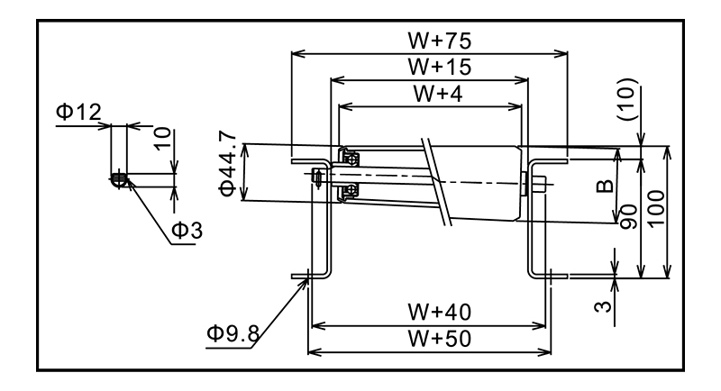
Também conhecido como transportador de rolos de curva, o transportador de rolos de cone permite girar ângulos de 30, 45, 60, 90 e 180 graus. É usado principalmente para alterações de direção nas linhas de transportadores, com 30, 45 e 60 graus frequentemente usados para transportadores de ramificação e mesclagem. Esse transportador é um tipo leve com uma capacidade de carga geralmente não superior a 200 kg.
| R | Tipo \ Width | 200 | 300 | 400 | 500 | 600 | 700 | 800 | 900 | 1000 | 1100 | 1200 | Pitch roller |
| 220 | HR-TC220 | ○ | - | - | - | - | - | - | - | - | - | - | 50,75.100 |
| 320 | HR-TC320 | - | ○ | - | - | - | - | - | - | - | - | - | 50,75,100 |
| 500 | HR-TC500A | - | ○ | ○ | ○ | ○ | ○ | - | - | - | - | - | 75 |
| 700 | HR-TC700 | ○ | ○ | ○ | ○ | ○ | - | - | - | - | - | - | 75.100.150 |
| 900 | HR-TCN | - | ○ | ○ | ○ | ○ | ○ | ○ | - | - | - | - | 75.100.150 |
| HR-TC900 | ○ | ○ | ○ | ○ | ○ | - | - | - | - | - | - | 75.100.150 | |
| HR-TC900A | - | ○ | ○ | ○ | ○ | ○ | ○ | - | - | - | - | 75,100 | |
| HR-TCL | - | - | - | - | - | - | - | ○ | ○ | ○ | ○ | 75.100.150.200 | |
| 1200 | HR-TC1200 | ○ | ○ | ○ | ○ | ○ | - | - | - | - | - | - | 75.100.150 |
| HR-TC1200A | - | - | - | - | - | - | ○ | ○ | ○ | ○ | ○ | 75.100 | |
| 1600 | HR-TC1600 | - | - | ○ | ○ | ○ | ○ | ○ | - | - | - | - | 75.100.150.200 |

Largura w (mm) 200 A (φ) Diâmetro 31.3 ...
| Largura w (mm) | 200 | |
| A (φ) | Diâmetro | 31.3 |
| Grossura | 3.5 | |
| B (φ) | Diâmetro | 60.5 |
| Grossura | 2.0 | |
| Carregamento do rolo (kg) | 100 | |

Largura w (mm) 300 A (φ) Diâmetro 31.2 ...
| Largura w (mm) | 300 | |
| A (φ) | Diâmetro | 31.2 |
| Grossura | 3.6 | |
| B (φ) | Diâmetro | 60.5 |
| Grossura | 2.1 | |
| Carregamento do rolo (kg) | 100 | |

Largura w (mm) 300 400 500 600 700 ...
| Largura w (mm) | 300 | 400 | 500 | 600 | 700 | 800 | |
| A (φ) | Diâmetro | 42.7 | 42.7 | 42.7 | 42.7 | 42.7 | 42.7 |
| Grossura | 3.2 | 3.2 | 3.1 | 3.1 | 3.1 | 3.1 | |
| B (φ) | Diâmetro | 56.8 | 61.3 | 66.4 | 71.3 | 76.2 | 80.0 |
| Grossura | 2.1 | 2.1 | 2.1 | 2.1 | 2.0 | 2.0 | |
| Carregamento do rolo (kg) | 100 | 90 | 85 | 76 | 59 | 54 | |

Largura w (mm) 900 1000 1100 1200 A ...
| Largura w (mm) | 900 | 1000 | 1100 | 1200 | |
| A (φ) | Diâmetro | 42.7 | 42.7 | 42.7 | 42.7 |
| Grossura | 3.5 | 3.8 | 4.5 | 4.5 | |
| B (φ) | Diâmetro | 86.7 | 91.0 | 95.3 | 100.0 |
| Grossura | 2.0 | 1.8 | 2.0 | 1.8 | |
| Carregamento do rolo (kg) | 110 | 95 | 87 | 80 | |

Largura w (mm) 200 300 400 500 600 ...
| Largura w (mm) | 200 | 300 | 400 | 500 | 600 | |
| A (φ) | Diâmetro | 41.3 | 41.3 | 41.3 | 41.3 | 41.3 |
| Grossura | 3.3 | 3.3 | 3.3 | 3.3 | 3.3 | |
| B (φ) | Diâmetro | 52.2 | 57.6 | 63.1 | 68.6 | 74.0 |
| Espessura | 2.5 | 2.4 | 2.4 | 2.3 | 2.3 | |

Largura w (mm) 200 300 400 500 600 ...
| Largura w (mm) | 200 | 300 | 400 | 500 | 600 | |
| A (φ) | Diâmetro | 45.0 | 45.0 | 45.0 | 45.0 | 45.0 |
| Grossura | 3.2 | 3.2 | 3.2 | 3.2 | 3.2 | |
| B (φ) | Diâmetro | 54.9 | 59.9 | 64.9 | 69.8 | 74.8 |
| Espessura | 2.2 | 2.2 | 2.1 | 2.1 | 2.0 | |

Largura w (mm) 200 300 400 500 600 ...
| Largura w (mm) | 200 | 300 | 400 | 500 | 600 | |
| A (φ) | Diâmetro | 48.0 | 48.0 | 48.0 | 48.0 | 48.0 |
| Grossura | 3.1 | 3.1 | 3.1 | 3.1 | 3.1 | |
| B (φ) | Diâmetro | 56.8 | 61.2 | 65.7 | 70.1 | 74.5 |
| Espessura | 2.3 | 2.3 | 2.2 | 2.2 | 2.1 | |

Largura w (mm) 400 500 600 700 800 ...
| Largura w (mm) | 400 | 500 | 600 | 700 | 800 | |
| A (φ) | Diâmetro | 50.0 | 50.0 | 50.0 | 50.0 | 50.0 |
| Grossura | 3.0 | 3.0 | 3.0 | 3.0 | 3.0 | |
| B (φ) | Diâmetro | 63.0 | 66.3 | 69.5 | 72.8 | 76.0 |
| Espessura | 2.3 | 2.2 | 2.2 | 2.1 | 2.0 | |

Largura w (mm) 300 400 500 600 700 ...
| Largura w (mm) | 300 | 400 | 500 | 600 | 700 | 800 | |
| A (φ) | Diâmetro | 42 | 42 | 42 | 42 | 42 | 42 |
| Grossura | 2 | 2 | 2 | 2 | 2 | 2 | |
| B (φ) | Diâmetro | 79 | 91 | 103 | 116 | 128 | 140 |
| Espessura | 20.5 | 26.5 | 32.5 | 39.0 | 45.0 | 51.0 | |

Largura w (mm) 200 300 400 500 600 ...
| Largura w (mm) | 200 | 300 | 400 | 500 | 600 | 700 | |
| A (φ) | Diâmetro | 44.7 | 44.7 | 44.7 | 44.7 | 44.7 | 44.7 |
| Grossura | 3.5 | 3.5 | 3.5 | 3.5 | 3.5 | 3.5 | |
| B (φ) | Diâmetro | 54.6 | 59.6 | 64.5 | 69.5 | 74.4 | 75 |
| Espessura | 2.4 | 2.3 | 2.3 | 2.2 | 2.2 | 2.2 | |

Tipo Marca Rigidez Resistência ao calor Resistência a ...
| Tipo | Marca | Rigidez | Resistência ao calor | Resistência a frio | Resistência ao óleo | Resistência ao desgaste | |||
| Borracha natural | Nr | Cerca de 60 | 120C | -50 ° ℃ | X | O | |||
| Ding Nitrile Rubber | Nbr | Cerca de 60 | 130C ° | -10 ° C. | O | O | |||
| Borracha de poliuretano | Pu | Cerca de 90 | 80C ° | -30 ° C. | O | O | |||
| Borracha natural | Ding Nitrile Rubber | Rolo | Diâmetro*espessura*diâmetro do eixo | Largura do rolo | |||||
| RR-4812P | RRG-4812P | R-3812p | 48*5*12 | 100 ~ 1500 | |||||
| RR-4816 | RRG-4816 | R-3816 | 48*5*12 | 100 ~ 1500 | |||||
| RR-6721P | RRG-6721P | R-5721p | 67*5*12 | 100 ~ 1500 | |||||

Tipos de revestimento Vantagens Espessura do revestimento Ga...
| Tipos de revestimento | Vantagens | Espessura do revestimento |
| Galvanizado elétrico | Zinco branco, zinco azul-branco, cromo trivalente | Mais de 5 mícrons |
| Cromado duro | Alta dureza | Mais de 3 microns |
Por que a manutenção do transportador de rolos afeta diretamente a vida útil do sistema ...
Leia maisO que torna um transportador de rolos verdadeiramente resistente? Um transportador de ro...
Leia maisO que são transportadores de rolos e por que o tipo é importante? Transportadores de...
Leia maisPor que os transportadores de rolos continuam sendo a espinha dorsal do manuseio de materiais ...
Leia maisSistemas transportadores movimentam milhões de toneladas de materiais todos os dias e...
Leia maisTrazendo artesanato para o futuro.
No.60, Zhenhu North Road, cidade de Hudai, distrito de Binhu , Wuxi 214100, China







