Rack de caixa médio
Cat:Rack de caixa médio
O rack médio é adequado para armazenar muitas variedades e poucas quantidades de mercadorias. O rack de casos m...
Os racks de armazéns, também conhecidos como racks de armazenamento, são ferramentas essenciais para os armazéns modernos para melhorar a eficiência, servindo como equipamento de armazenamento para itens embalados. Os racks são amplamente utilizados em supermercados, armazéns e centros de logística. Diferentes projetos e configurações de racks podem atender às necessidades de armazenamento de vários locais, aprimorando a utilização do espaço e a eficiência operacional.

O rack médio é adequado para armazenar muitas variedades e poucas quantidades de mercadorias. O rack de casos m...
O rack médio é adequado para armazenar muitas variedades e poucas quantidades de mercadorias.
O rack de casos médios é adequado para armazenar produtos de tamanho pequeno, bens de caixa ou bens especiais que são inferiores a 500 kg.
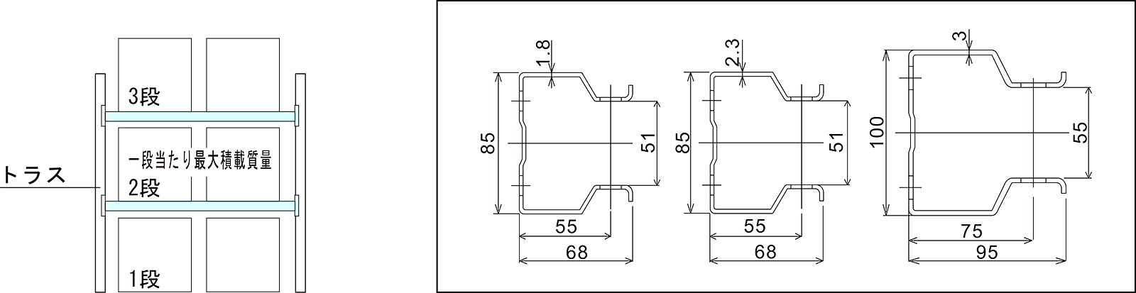
| Tipo | Tamanho da treliça | Carregamento máximo | H | C | Largura efetiva | Largura do núcleo | Profundidade | |
| 1 carregamento de camada (kg) | Carregamento máximo (kg) | |||||||
| L | | 150 | 1000 | 1200 | 900 | 850 | 955 | 300 450 600 |
| 1200 | 1150 | 1255 | ||||||
| 1500 | 1450 | 1555 | ||||||
| 1800 | 1750 | 1855 | ||||||
| M | 300 | 1500 | 1500 | 900 | 850 | 955 | 450 600 750 900 | |
| 1200 | 1150 | 1255 | ||||||
| 1800 | 1500 | 1450 | 1555 | |||||
| 1800 | 1750 | 1855 | ||||||
| H | 500 | 2500 | 2100 | 900 | 850 | 955 | ||
| 2400 | 1200 | 1150 | 1255 | |||||
| 1500 | 1450 | 1555 | ||||||
| 1800 | 1750 | 1855 | ||||||
Folha de capacidade de carregamento
Carregamento máximo (kg)
| Tipo | Treliça L1*l2*t | Carregamento máximo (kg) | ||||
| 4 camadas | 5.6 Camadas | |||||
| UM | 25*25*1.5 | 300 | 400 | |||
| B | 32*32*1.5 | 450 | 600 | |||
| C | 38*38*1.8 | 600 | 800 | |||
Carregamento máximo (kg)
| Profundidade/comprimento | 900 (mm) | 1200 (mm) | 1500 (mm) | 1800 (mm) | |||
| 300 (mm) | 100 | - | - | - | |||
| 450 (mm) | 150 | 150 | 100 | 60 | |||
| 600 (mm) | 200 | 200 | 150 | 100 | |||

Opção · Existem três tipos deste rack pesado: L, M, H · A...
Opção
| · Existem três tipos deste rack pesado: L, M, H
· A capacidade máxima de carregamento depende da altura e das camadas, consulte a folha de carregamento.
· A condição de capacidade de carregamento é o solo de concreto e o rack deve ser fixado pelo parafuso expansível. | |
| Tipo | Altura (mm) | Largura (mm) | Profundidade (mm) |
| L Tipo (peso leve) | 2000 2500 3000 3500 4000 4500 5000 5500 6000 7000 8000 | 2000 2300 2500 2700 3000 3200 | 600 800 900 1000 1100 1200 |
| M tipo (peso mediano) | |||
| Tipo H (peso pesado) |
Carregamento máximo de treliça
| Carregamento máximo de cada camada (kg) | |||||||||||
| Camadas/treliça/altura (mm) | 2 camadas | 3 camadas | 4 camadas | 5 camadas | |||||||
| L | M | L | M | H | L | M | H | L | M | H | |
| 2000 | 4440 | 5470 | 3140 | 3870 | 5190 | 2360 | 2900 | 3890 | 1880 | 2320 | 3110 |
| 2500 | 4020 | 4960 | 3130 | 3860 | 5190 | 2360 | 2900 | 3890 | 1880 | 2320 | 3110 |
| 3000 | 3670 | 4540 | 2920 | 3600 | 5120 | 2360 | 2900 | 3890 | 1880 | 2320 | 3110 |
| 3500 | 3380 | 4180 | 2730 | 3370 | 4830 | 2290 | 2820 | 3890 | 1880 | 2320 | 3110 |
| 4000 | 3130 | 3870 | 2560 | 3170 | 4560 | 2170 | 2680 | 3820 | 1880 | 2320 | 3110 |
| 4500 | 2920 | 3610 | 2420 | 2990 | 4330 | 2070 | 2550 | 3650 | 1800 | 2220 | 3110 |
| 5000 | 2730 | 3380 | 2290 | 2830 | 4120 | 1970 | 2430 | 3500 | 1730 | 2130 | 3040 |
| 5500 | 2570 | 3180 | 2170 | 2690 | 3920 | 1880 | 2330 | 3360 | 1660 | 2050 | 2940 |
| 6000 | 2420 | 3000 | 2070 | 2560 | 3750 | 1800 | 2230 | 3230 | 1600 | 1970 | 2840 |
| 7000 | 2180 | 2690 | 1880 | 2330 | 3440 | 1660 | 2060 | 3000 | 1490 | 1840 | 2660 |
| 8000 | 1960 | 2440 | 1730 | 2140 | 3180 | 1540 | 1910 | 2800 | 1390 | 1720 | 2500 |
Padrão de nenhum terremoto nação: k = 0,03 (coeficiente de agitação de nível)
Carregamento máximo de feixe
| Carregamento máximo de cada camada (kg) | |||||||
| Altura da largura/feixe | 2000 | 2300 | 2500 | 2700 | 3000 | 3200 | |
| 80 | 1777 | 1344 | 1137 | - | - | - | |
| 100 | 2560 | 2226 | 1917 | 1644 | 1331 | 1170 | |
| 110 | 2918 | 2538 | 2335 | 2055 | 1665 | 1463 | |
| 120 | 3277 | 2849 | 2621 | 2427 | 2042 | 1794 | |
| 140 | 4045 | 3517 | 3236 | 2996 | 2697 | 2528 | |
| 160 | - | 4998 | 4598 | 4257 | 3831 | 3592 | |
O guia diferente pode ser instalado de acordo com as empilhadeiras correspondentes, que podem reduzir a largura do corredor que passam e utilizar o espaço.

[Tipo de trilho] Trilho pode ser decidido por motivos Diferen...
| [Tipo de trilho] Trilho pode ser decidido por motivos Diferentes condições de configuração podem causar diferentes condições de trabalho | Dois tipos de trilho Trilho fixo usada fpr sigle- lateral operação |
| Barra de manget sem trilho | |
Estrutura
Especificação básica
| Painel lateral | Velocidade | Motor | Poder | Controle | Equipamento seguro | |
| Rail | 12t (tipo de 2 rodas) 24T (tipo de 4 rodas) | Máximo 10m/min | MAX 1,5KW | Monofásico Fase trinal | Controlado pela rede | Corredor de travamento automático Entre na verificação Lâmpada indicadora de luz Over carregando proteção |
| 16T (tipo de 2 rodas) 32T (tipo de 4 rodas) | ||||||
| Não trilho | 8t (tipo de 2 rodas) 16T (tipo de 4 rodas) |

Adote um rack de corredor médio e pesado de alta frequência. Adequado para o ra...
| Adote um rack de corredor médio e pesado de alta frequência. Adequado para o rack móvel inclinado seqüente com alta frequência.
| O rack pode ser selecionado pelo tamanho da caixa e quantidades de mercadorias. |
| Amplamente utilizado no armazém de logística ou linha de produção. | |
| O consumidor da roda é conveniente para prender ou descarregar o rack. |
Capacidade
|
Estrutura fácil A instalação fácil, a estrutura e o consumidor da roda podem ser ajustados para o local adequado. Adequado para armazenamento de grandes ou pequenas quantidades de mercadorias.
| |
|
Chave de roda padrão Rolo do núcleo de ferro: £ 28 | |
|
LMPROVEMENTO DA Eficiência de Trabalho Fácil armazenamento de mercadorias, conveniente para Working
|

Funções O FLFO Gravity Rack é baseado n...
|
Funções O FLFO Gravity Rack é baseado na inclinação (4%) da trilha de slides e do peso morto das mercadorias. Os rolos retos da gravidade são usados como suporte para deslizar para baixo. A taxa de transferência do LTS é alta. O armazenamento e a recuperação podem ser realizados simultaneamente, de modo que a velocidade de fluxo das mercadorias aumenta. Propósitos O LT é adequado para armazenamento e recuperação de paletes ou de grande volume, com menos tipos de mercadorias. Cada faixa deslizante é usada para armazenar e recuperar o maior tipo de mercadoria possível. LT tem ampla aplicação em indústrias como mecânica, química, eletrônica, bebida e alimentos etc.
| Rolo de freio |
Características
| Separador de segurança de paletes |

Adequado para armazenamento de matrizes do tamanho de uma cerveja. Especificação 1. Carregando de cad...
Adequado para armazenamento de matrizes do tamanho de uma cerveja.
Especificação
1. Carregando de cada camada: max 1000kg
2. Maxlayers: 4Lagers
3. Dimensão: 1300WX800L
4. HeightOfEachlayer: 500mm
5. Estrutura de bloqueio de SkidproofDouble
6. Fixação do parafuso
7. Opções: ①lron Rempa
Característica
Adequado para armazenamento de produtos pesados, morrer de resina, estampar metal e assim por diante.
A camada de palete de slides pode ser aumentada e puxada.
Fácil para trabalho móvel.

Rack de corredor ...
|
Rack de corredor Adequado para armazenar poucas variedades ou grande quantidade de bem.
| |
|
Por que a manutenção do transportador de rolos afeta diretamente a vida útil do sistema ...
Leia maisO que torna um transportador de rolos verdadeiramente resistente? Um transportador de ro...
Leia maisO que são transportadores de rolos e por que o tipo é importante? Transportadores de...
Leia maisPor que os transportadores de rolos continuam sendo a espinha dorsal do manuseio de materiais ...
Leia maisSistemas transportadores movimentam milhões de toneladas de materiais todos os dias e...
Leia maisA importância de Racks de armazenamento de armazém Nos centros de logística: uma olhada nas ofertas de Wuxi Huiqian
Nos centros de logística modernos, o uso eficiente do espaço e da organização é essencial para maximizar a eficiência operacional. Prateleiras de armazém , também conhecidos como racks de armazenamento, são componentes críticos que ajudam a atingir esse objetivo. Ao fornecer armazenamento estruturado para itens embalados, os racks permitem acesso fácil, otimizam o espaço e simplifica os fluxos de trabalho. Em ambientes ocupados, como armazéns, supermercados e centros de logística, a escolha do sistema de rack certa pode melhorar significativamente a capacidade de armazenamento e a produtividade operacional.
Na Wuxi Huiqian Logistics Machinery Manufacturing Co., Ltd, é especializada em fornecer racks de armazenamento de alta qualidade, transportadores de rolos, mini transportadores e outros equipamentos de logística projetados para aprimorar a eficiência do armazém. Nossos produtos são construídos com precisão e incorporam tecnologia avançada, garantindo confiabilidade e desempenho em uma ampla gama de aplicações.
Prateleiras de armazém Venha em várias configurações e projetos, cada um adequado a necessidades específicas. Se você precisa de uma unidade de prateleira básica ou um sistema complexo que suporta armazenamento para serviços pesados, nossas ofertas atendem a diversos requisitos. Com foco na otimização do espaço, nossos racks ajudam os centros de logística aproveitando ao máximo sua área disponível, permitindo melhor gerenciamento de inventário e operações mais suaves.
Nossa experiência na Wuxi Huiqian reside não apenas na fabricação de equipamentos de logística de primeira linha, mas também no fornecimento de soluções personalizadas para cada cliente. Entendemos que dois centros de logística não são iguais e oferecemos designs flexíveis que enfrentam desafios de armazenamento exclusivos. De quadros resistentes a sistemas de prateleiras ajustáveis, nossos produtos garantem que suas necessidades de armazenamento sejam atendidas de maneira eficiente e econômica.
A localização de nossa empresa no Distrito Nacional de Desenvolvimento de Tecnologia de Hi-Tech Wuxi fornece acesso conveniente ao transporte e instalações vizinhas, permitindo uma entrega rápida e confiável de nossos produtos. Com uma equipe dedicada e equipamentos de processamento avançado, aderimos a um rigoroso sistema de gerenciamento da qualidade (QMS) para garantir que cada produto atenda aos mais altos padrões de durabilidade e funcionalidade.
À medida que o setor de logística continua a evoluir, a demanda por soluções de armazenamento mais eficientes e versáteis cresce. Na Wuxi Huiqian, continuamos comprometidos em desenvolver sistemas inovadores de rack e equipamentos de logística que suportam as necessidades dinâmicas dos modernos armazéns e centros de logística. Nosso foco na qualidade, integridade e satisfação do cliente garante que somos um parceiro de confiança para empresas que buscam melhorar suas capacidades de armazenamento.
Ao escolher os produtos da Wuxi Huiqian, você não está apenas investindo em prateleiras de armazém; Você está aumentando a eficiência e a eficácia de suas operações de logística. Convidamos todas as empresas a explorar nossas soluções e ver como podemos ajudar a otimizar seus sistemas de armazenamento. Seus comentários e insights são sempre bem -vindos, pois continuamos a buscar a excelência em todos os produtos que entregamos.
Simplificando logística: como Rack de armazém Aumente a produtividade operacional
As soluções de armazenamento eficientes estão no centro da logística moderna, e os racks do armazém são essenciais para simplificar as operações. Ao fornecer armazenamento organizado e fácil de acessar, esses racks ajudam a otimizar o espaço, reduzir os atrasos operacionais e melhorar a produtividade geral. Um sistema de rack bem projetado pode melhorar drasticamente os fluxos de trabalho do armazém, levando a um atendimento de pedidos mais rápido e melhor controle de inventário.
A Wuxi Huiqian Logistics Machinery Manufacturing Co., LTD é especializada em racks de armazém de alta qualidade e equipamentos de logística adaptados para atender às diversas necessidades das indústrias de movimento rápido de hoje. Nossos racks foram projetados para maximizar a capacidade de armazenamento e melhorar a acessibilidade, o que ajuda as empresas a reduzir gargalos operacionais e minimizar o tempo de inatividade. Com foco na eficiência, fornecemos soluções que ajudam as empresas a gerenciar seus bens com mais eficiência.
Uma das principais vantagens de Racks de armazenamento de armazém é a capacidade deles de otimizar o espaço. Ao utilizar o armazenamento vertical, os racks aumentam a densidade de armazenamento e ajudam as empresas a aproveitar ao máximo seu espaço de armazém disponível. Isso reduz a necessidade de expansão ou áreas de armazenamento adicionais, resultando em custos operacionais mais baixos e maior lucratividade.
Além dos racks, o Wuxi Huiqian oferece uma gama completa de equipamentos de logística, incluindo transportadores de rolos, mini transportadores e sistemas de prateleiras, todos projetados para funcionar perfeitamente juntos. Se você precisa de armazenamento pesado para itens a granel ou soluções mais especializadas para inventário específico, nossos produtos são adaptáveis e personalizáveis para se adequar a qualquer layout.
Localizada no Distrito Nacional de Desenvolvimento de Tecnologia de Hi-Tech Wuxi, estamos idealmente posicionados para atender nossos clientes com entrega rápida e serviço excepcional. Nossa equipe, equipada com tecnologia avançada e um sistema robusto de gerenciamento de qualidade, garante que todos os produtos que produzimos atendam aos mais altos padrões de durabilidade e desempenho.
À medida que as demandas logísticas continuam a crescer, a importância de sistemas de armazenamento eficiente não pode ser exagerada. Na Wuxi Huiqian, estamos comprometidos em avançar em projetos de rack de armazém para ajudar as empresas a melhorar a produtividade operacional. Ao escolher nossos produtos, as empresas podem otimizar seus recursos de armazenamento e gerar maior eficiência em suas operações.
Investindo em Wuxi Huiqian's prateleiras de armazém é mais do que apenas uma solução de armazenamento; É um investimento na produtividade e sucesso de longo prazo do seu negócio. Vamos ajudá -lo a simplificar suas operações de logística e levar seus negócios para o próximo nível.
Trazendo artesanato para o futuro.
No.60, Zhenhu North Road, cidade de Hudai, distrito de Binhu , Wuxi 214100, China







