W-26ps (dentro)
Cat:Transportador de roda de resina
Tipo Tamanho do rolo D*w*d*b Haste Tamanho do quadro ...
Estrutura avançada, desempenho de alta qualidade, fácil de usar, alta confiabilidade e durabilidade.

Tipo Tamanho do rolo D*w*d*b Haste Tamanho do quadro ...
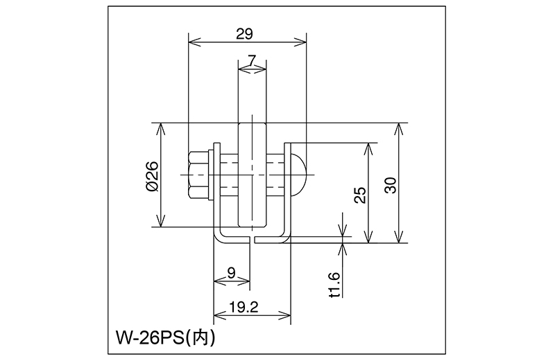
| Tipo | Tamanho do rolo D*w*d*b | Haste | Tamanho do quadro H × W1 × W2 × W3 × T. | Altura H | Lengeh L | Pitch da roda P | Carga de roda única (kg) | Material do rolo |
| W-26ps (dentro) | 26 × 8 × 6 × 16 | M6 × 25L | 25 × 19,2 × 9 × 29 × 1.6 | 30 | 1000 · 1500 · 2000 | 30 · 35 | 30 | POM |

Tipo Tamanho do rolo D*w*d*b Haste Tamanho do quadro ...
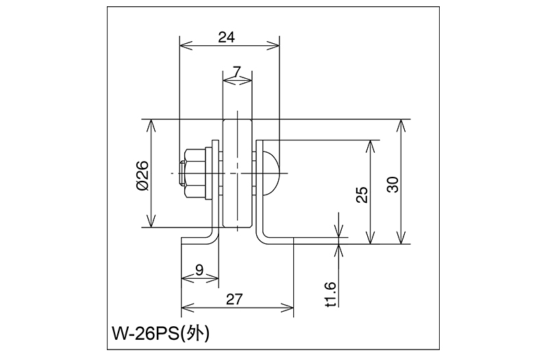
| Tipo | Tamanho do rolo D*w*d*b | Haste | Tamanho do quadro H × W1 × W2 × W3 × T. | Altura H | Lengeh L | Pitch da roda P | Carga de roda única (kg) | Material do rolo |
| W-26ps (fora) | 26 × 8 × 6 × 10 | M6 × 20L | 25 × 28 × 9 × 24 × 1.6 | 30 | 1000 · 1500 · 2000 | 30 · 35 | 30 | POM |

Tipo Tamanho do rolo D*w*d*b Haste Tamanho do quadro ...
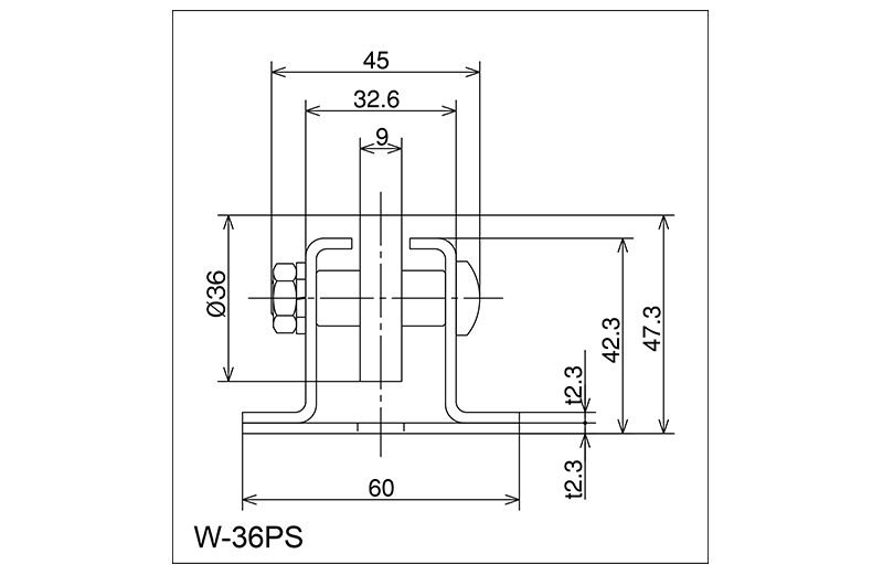
| Tipo | Tamanho do rolo D*w*d*b | Haste | Tamanho do quadro H × W1 × W2 × W3 × T. | Altura H | Lengeh L | Pitch da roda P | Carga de roda única (kg) | Material do rolo |
| W-38GS | 38 × 12 × 6 × 27 | M6 × 38L | 45 × 32,6 × 10 × 42 × 2,3 | 52 | 1800 · 2400 · 3000 | 50 · 75 · 100 · 150 | 30 | POM |

Tipo Tamanho do rolo D*w*d*b Haste Tamanho do quadro ...
| Tipo | Tamanho do rolo D*w*d*b | Haste | Tamanho do quadro H × W1 × W2 × W3 × T. | Altura H | Lengeh L | Pitch da roda P | Carga de roda única (kg) | Material do rolo |
| WB-36ps | 36 × 9 × 8 × 28 | M8 × 40L | 42,3 × 60 × 32 × 45 × 1.6 2.3 | 49.3 | 1800 · 2400 · 3000 | 50 · 75 · 100 | 10 | POM |

Tipo Tamanho do rolo D*w*d*b Haste Tamanho do quadro ...
| Tipo | Tamanho do rolo D*w*d*b | Haste | Tamanho do quadro H × W1 × W2 × W3 × T. | Altura H | Lengeh L | Pitch da roda P | Carga de roda única (kg) | Material do rolo |
| SW-38GS | 38 × 12 × 6 × 27 | M6 × 38L | 45 × 31 × 8,5 × 42 × 1,8 | 53 | 1800 · 2400 · 3000 | 50 · 75 · 100 · 150 | 30 | POM |

Tipo Tamanho do rolo D*w*d*b Haste Tamanho do quadro ...
| Tipo | Tamanho do rolo D*w*d*b | Haste | Tamanho do quadro H × W1 × W2 × W3 × T. | Altura H | Lengeh L | Pitch da roda P | Carga de roda única (kg) | Material do rolo |
| W-36ps | 36 × 9 × 8 × 28 | M8 × 40L | 42,3 × 60 × 32,6 × 45 × 2,3 | 47.3 | 1800 · 2400 · 3000 | 50 · 75 · 100 · 150 | 10 | POM |

Tipo Tamanho do rolo D*w*d*b Haste Tamanho do quadro ...
| Tipo | Tamanho do rolo D*w*d*b | Haste | Tamanho do quadro H × W1 × W2 × W3 × T. | Altura H | Lengeh L | Pitch da roda P | Carga de roda única (kg) | Material do rolo |
| W-36PW | 36 × 9 × 8 × 14 | M8 × 55L | 46,3 × 60 × 33 × 71 × 1.6 2.3 | 52.3 | 1800 · 2400 · 3000 | 50 · 75 · 100 · 150 | 10 | Pom |
| W-45UW | 45 × 16 × 8 × 22 | M8 × 65L | 46,3 × 60 × 33 × 87 × 1.6 2.3 | 56.8 | 1800 · 2400 · 3000 | 50 · 75 · 100 · 150 | 25 | ABS |

Tipo Tamanho do rolo D*w*d*b Haste Tamanho do quadro ...
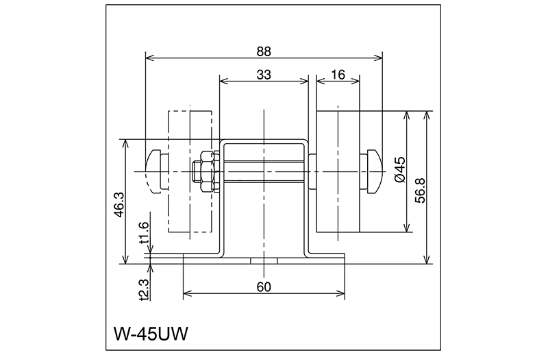
| Tipo | Tamanho do rolo D*w*d*b | Haste | Tamanho do quadro H × W1 × W2 × W3 × T. | Altura H | Lengeh L | Pitch da roda P | Carga de roda única (kg) | Material do rolo |
| W-45UW | 45 × 16 × 8 × 22 | M8 × 65L | 46,3 × 60 × 33 × 87 × 1.6 2.3 | 56.8 | 1800 · 2400 · 3000 | 50 · 75 · 100 · 150 | 25 | ABS |
Por que a manutenção do transportador de rolos afeta diretamente a vida útil do sistema ...
Leia maisO que torna um transportador de rolos verdadeiramente resistente? Um transportador de ro...
Leia maisO que são transportadores de rolos e por que o tipo é importante? Transportadores de...
Leia maisPor que os transportadores de rolos continuam sendo a espinha dorsal do manuseio de materiais ...
Leia maisSistemas transportadores movimentam milhões de toneladas de materiais todos os dias e...
Leia maisTrazendo artesanato para o futuro.
No.60, Zhenhu North Road, cidade de Hudai, distrito de Binhu , Wuxi 214100, China







